Stake¹ÙÍøLCF001ÊÇÒ»¿îTO?39½ðÊô·â×°¡¢¿íÊÓ³¡½Ç¡¢µÍÔëÉùµÄÄ£ÄâµçÁ÷ÐͺìÍâ»ðÑæ´«¸ÐÆ÷£¬£¬£¬£¬£¬£¬Í¨¹ý¿ìËÙʶ±ð»ðÑæÌØÓеÄÖкìÍâ·øÉ䣬£¬£¬£¬£¬£¬ÊµÏÖѸËÙ¡¢Îȹ̵ĻðÑæ¼ì²â£¬£¬£¬£¬£¬£¬ÆÕ±éÓ¦ÓÃÓÚ»ðÔÖÔ¤¾¯¡¢¹¤ÒµÇå¾²¼à¿Ø¼°ÖÖÖÖ»ðÑæÊ¶±ð×°±¸¡£¡£¡£¡£¡£¡£¡£
»ðÑæÌ½²âÆ÷
µ¥Í¨µÀ
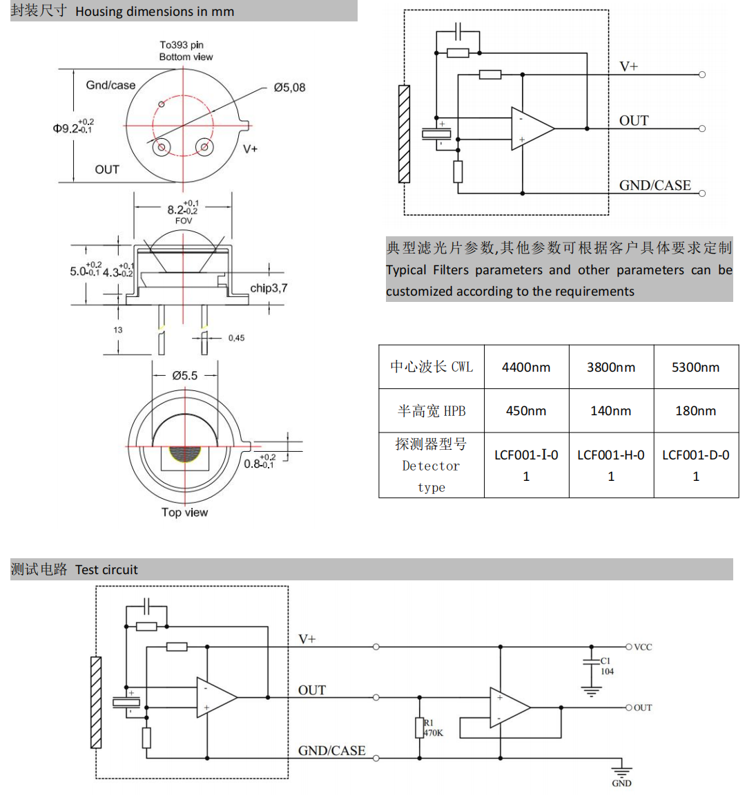
TO-39·â×°
µçÁ÷ģʽ
ÊÖÒÕÖ¸±ê ·ûºÅ µä·¶Öµ µ¥Î» ´°¿Ú³ß´ç §¶5.5 mm Ãô¸ÐÇøÓò³ß´ç As §¶2.5 mm ÈÈʱ¼ä³£Êý ¦ÓT 50 MS ÊÂÇéµçѹ Vd 5-26 V ÍÆ¼öÊÂÇéµçѹ Vr 9 ÊÓ³¡½Ç FOV >110 ¡ã ÔëÉùÃܶÈ{10Hz,BW1Hz£¬£¬£¬£¬£¬£¬25¡æ} Vn £¼70 ¦Ìvrms/Hz1/2 µçѹÏìÓ¦ÂÊ£¨ÎÞ´°¿Ú£©{500K,10Hz,25¡æ} Rv £¾200£¬£¬£¬£¬£¬£¬000 V/W ±È̽²âÂÊ£¨ÎÞ´°¿Ú£©{500K,10Hz,BW 1Hz,25¡æ} D £¾4.4E+08 cm Hz1/2/W ÊÂÇéζȹæÄ£ -40¡ª+80 ¡æ ÔËËã·Å´óÆ÷ 400 X
²úÆ·³ß´çͼ
