ÈÈÊ͵çºìÍâ´«¸ÐÆ÷
Êä³öÐźţºÆéá«µçÆ½Êä³ö
´°¿Ú³ß´ç£º3*4mm
¸ÐÓ¦¾àÀ룺12M£¨Í¸¾µSB-F-02£©²î±ð¾àÀëÏê¼û͸¾µÑ¡ÐÍ
¸ÐÓ¦½Ç¶È£º120¡ã£¨Ë®Æ½Æ«Ïò£©
ÊÂÇéµçѹ£º2.2-3.7V
¾²Ì¬¹¦ºÄ£º£¼12uA
ɰÔBS412ÐͺÅÊÇÒ»¸ö½«Êý×ÖÖÇÄÜ¿ØÖƵç·ÓëÈËÌå̽²âÃô¸ÐÔª¶¼¼¯³ÉÔÚµç´ÅÆÁÕÏÕÖÄÚµÄÈÈÊ͵çºìÍâ´«¸ÐÆ÷¡£¡£¡£¡£¡£¡£¡£ÈËÌå̽²âÃô¸ÐÔª½«¸ÐÓ¦µ½µÄÈËÌåÒÆ¶¯ÐźÅͨ¹ýÒ»¸öÉõ¸ß×迹²î·ÖÊäÈëµç·ñîºÏµ½Êý×ÖÖÇÄܼ¯³Éµç·оƬÉÏ£¬£¬£¬£¬£¬£¬Êý×ÖÖÇÄܼ¯³Éµç·½«ÐźÅת»¯³ÉÊý×ÖÐźţ¬£¬£¬£¬£¬£¬µ±PIRÐźÅÁè¼ÝÑ¡¶¨µÄÊý×Ö·§ÖµÊ±¾Í»áÓÐÑÓʱµÄRELµçƽÊä³ö¡£¡£¡£¡£¡£¡£¡£Ê±¼ä²ÎÊýͨ¹ýµç×èÉèÖ㬣¬£¬£¬£¬£¬ÓÃÒÔ¿ØÖÆÓõçÆ÷Ò»Á¬ÊÂÇéµÄÑÓʱʱ¼ä¡£¡£¡£¡£¡£¡£¡£ËùÓеÄÐźŴ¦Öóͷ£¶¼ÔÚÒ»¸öоƬÉÏÍê³É¡£¡£¡£¡£¡£¡£¡£
Êý×ÖÐźŴ¦Öóͷ£
µÍµçѹ¡¢µÍ¹¦ºÄ£¬£¬£¬£¬£¬£¬ÈÈ»úʱ¼ä¶Ì
µçÔ´ÒÖÖÆ±È¸ß£¬£¬£¬£¬£¬£¬¿¹É䯵×ÌÈÅ
ÌØÊâÄÚÖúìÍâ´«¸ÐÆ÷µÄ¶þ½×°ÍÌØÎÖ˹´øÍ¨Â˲¨Æ÷£¬£¬£¬£¬£¬£¬ÆÁÕÏÆäËüƵÂʵÄÊäÈë×ÌÈÅ
¾ßÓÐ׼ʱʱ¼ä,²¢Ä£Äâʱ¼äÒ»Á¬¿Éµ÷
ÎȹÌÐԺá¢ÓÐÓÃÒÖÖÆÖØ¸´ÎóÐж¯
Ó¦Óõç·¼òÆÓ
1.¼«ÏÞÖµ £¨Áè¼ÝÏÂÃæ±í¸ñÖÐÊýÖµ¿ÉÄÜÔì³ÉÆ÷¼þµÄÓÀÊÀÐÔË𻵣©
²ÎÁ¿ ·ûºÅ ×îСֵ ×î´óÖµ µ¥Î» ÊÂÇéÎÂ¶È TST -30 70 ¡æ ÈκÎÒý½Å¼«ÏÞ Into -100 100 mA ´æ´¢ÎÂ¶È TST -40 80 ¡æ
2.ÊÂÇéÌõ¼þ(T=25¡ãC, Vdd=3V£¬£¬£¬£¬£¬£¬³ýÉÐÓл®¶¨Íâ)
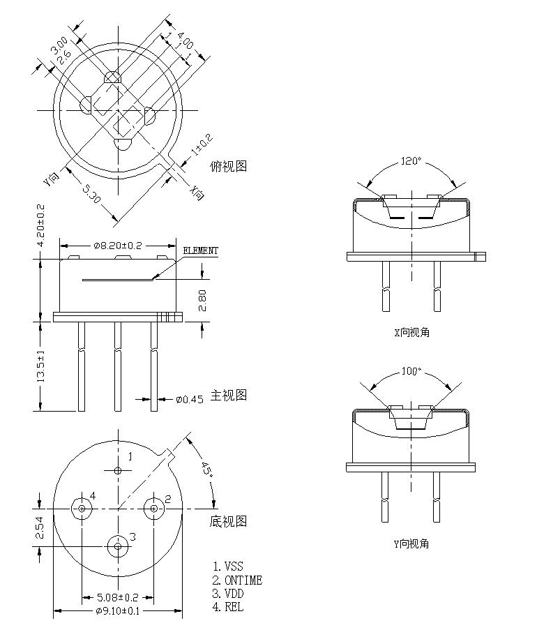
²úÆ·³ß´çͼ

×¢ÖØÊÂÏî
´«¸ÐÆ÷µÄ³ö³§²ÎÊý£¬£¬£¬£¬£¬£¬¾ùÔÚ±ê×¼ºÚÌå¼°Îȹ̲âÊÔÇéÐÎϾÓÉÊý·ÖÖÓÎȹÌʱ¼äºó²âÊÔÈ¡µÃ¡£¡£¡£¡£¡£¡£¡£
´«¸ÐÆ÷ÐèÍÅ½á·ÆÄù¶û͸¾µÊ¹ÓõִïÀíÏëµÄ¸ÐÓ¦½Ç¶È¼°¸ÐÓ¦¾àÀë¡£¡£¡£¡£¡£¡£¡£
´«¸ÐÆ÷µÄ¸ÐÓ¦¾àÀëÓëÇéÐÎÎÂʪ¶È¡¢ÊÕÂÞÄ¿µÄµÄζȺÍÒÆ¶¯Æ«Ïò¡¢·ÆÄù¶û͸¾µ¡¢·Å´ó±¶ÊýÉèÖþùÓÐÖ±½Ó¹ØÏµ£¬£¬£¬£¬£¬£¬Ê¹ÓÃʱÇë×ÛºÏ˼Á¿¡£¡£¡£¡£¡£¡£¡£
´«¸ÐÆ÷ÄÚ²¿Ãô¸ÐÔª¼þ½ÏΪ±¡´à£¬£¬£¬£¬£¬£¬Ê¹ÓÃʱÇëÇáÄÃÇá·Å£¬£¬£¬£¬£¬£¬¸ßƵÕ𾪻òµøÂäײ»÷¿ÉÄܵ¼ÖÂÃô¸ÐÔª¼þ±¬·¢¶ÏÁÑ¡£¡£¡£¡£¡£¡£¡£
´«¸ÐÆ÷´°¿ÚΪ¹è»ù°ëµ¼ÌåÌØÊâÖÊÁÏÕæ¿Õ¶ÆÄ¤Â˹⾵Ƭ£¬£¬£¬£¬£¬£¬Ê¹ÓÃʱÇëÎðÓÃÊÖ»òÓ²ÎïÖ±½Ó½Ó´¥¡£¡£¡£¡£¡£¡£¡£
´«¸ÐÆ÷´°¿ÚÑ¡ÐÍ£ºÄ£ÄâÖ±²å˫Ԫ²úÆ·£ºS£º3*4mm£¬£¬£¬£¬£¬£¬B£º3.8*5mm£¬£¬£¬£¬£¬£¬Êý×ÖÖ±²å˫Ԫ²úÆ·£ºS£º3*4mm£¬£¬£¬£¬£¬£¬L£º3.8*5mm£¬£¬£¬£¬£¬£¬M£º4.2*5.2mm,Ö±²åËÄÔª²úÆ·£ºX£º4*4mm£¬£¬£¬£¬£¬£¬Q£º4.9*4.9mm¡£¡£¡£¡£¡£¡£¡£ÏêÇéÇëÓëÓªÒµÔ±Ïàͬ¡£¡£¡£¡£¡£¡£¡£
´«¸ÐÆ÷ÒýÏß³¤¶ÈÑ¡ÐÍ£ºÍ¨ÀýĬÈÏ13.5mm£¬£¬£¬£¬£¬£¬ÈôÓÐÆäËûÐèÇó¿ÉÏêѯӪҵԱ£¬£¬£¬£¬£¬£¬Ö§³Ö¶¨ÖÆÒýÏß³¤¶È¡£¡£¡£¡£¡£¡£¡£
´«¸ÐÆ÷ÆäËûÏêϸÐÅÏ¢ÇëÏê¼û²úƷ˵Ã÷Êé¡£¡£¡£¡£¡£¡£¡£